
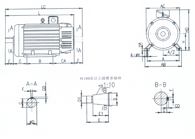
一、YZR112-400 IM1安装尺寸与外形尺寸

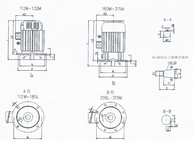
二、YZR112-315 IM3安装尺寸与外形尺寸

三、YZR,450-475技术参数及安装与外形尺寸

YZR系列起重及冶金用绕线转子三相异步电动机
YZR系列起重及冶金用绕线转子三相异步电动机用于各种类型的起重机械、冶金辅助设备及其他类似设备的电力驱动、具有较高的过载能力和机械强度、适用于短时或断续周期性工作、频繁起动、制动等有显著振动与冲击的设备。产品符合JB/T10105-1999标准的规定。其安装尺寸和功率等级符合IEC72推荐标准、与日本的JEM1202及德国的DIN42681相似,并大多可以互换。
电动机的绝缘等级分为F、H级。F级绝缘电动机一般为起重用,适用于环境温度不超过40℃的一般场所,H级绝缘电动机为冶金用,适用于环境温度不超过60℃的冶金场所。
电动机的工作制分为短时工作制S2和断续周期工作制S3。电动机的基准工作制为S3,基准负载持续率为40%。电动机还可以工作于S4、S5等工作制。



