
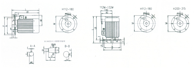
一、IM1型安装及外形尺寸

二、IM3型安装及外形尺寸

YZP、YZPF系列起重及冶金用变频调速三相异步电动机
YZP、YZPF系列起重及冶金用变频调速三相异步电动机(以下简称变频调速电动机),是以变频器为供电电源的电动机,与变频器装置组成的控制系统可得到平滑的无级调速、变速机构简单,转速准确,达到节能和实现自动化的目的。
YZP、YZPF系列变频调速电动机广泛应用于起重、冶金、运输行业要求连续调速和频繁正、反转的机械设备上,也可以适用于一般通用机械设备上。
YZP、YZPF系列起重及冶金用变频调速三相异步电动机
YZP、YZPF系列变频调速电动机的额定电压为380V,额定功率为50Hz。可在5(3)-100Hz范围内连续调速,5(3)-50Hz为恒转矩运行,50-100Hz为恒功率运行。也可以适用于额定电压为440V,额定功率为60Hz的电源。YZP、YZPF系列电动机的安装尺寸与YZ、YZR系列同机座号相同,可方便用户使用。


