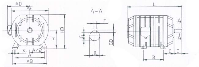
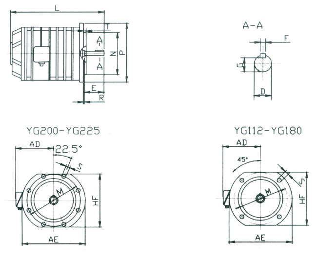
一、B35型外形及安装尺寸

二、B3型外形及安装尺寸

三、B5型外形及安装尺寸

YG系列辊道用三相异步电动机
YG系列辊道用三相异步电动机是我国九十年代取代JG2系列电动机的更新换代产品,其主要性能指标超过JG2系列水平、达到国外同类电动机先进水平。
YG系列电动机安装尺寸符合IEC标准,外壳防护等级为IP54,冷却方式为IC0041,额定电压380V,额定功率为50Hz,H级绝缘、定子绕组采用Y接法。
YG系列电动机按用途分为YGa和YGb两种形式,YGa型电动机以断续周期工作制(S5)为基准工作制,它能够频繁地起动,制动或反转运行,具有堵转转矩大、堵转电流小,堵转时间长,动态常数高,机械特性软等特点,主要用于单独驱动冶金工业的工作辊道,也可用于其它类似机械,表3中的功率为YGa型电动机在连续定额时的功率设计值,仅供参考;YGb型电动机以连续工作制(S1)为基准工作制,具有功率大、效率高、变频调速范围宽、机械特性硬等特点。主要用于单独驱动冶金工业的传输辊道辊子,也可用于其他类似机械。
本系列电机可制成YGP辊道专用变频电机,其频率在3Hz~99Hz之间变化,但具体参数随不同频率变化而变化。



