导航 搜索
    DJ、LDJ型机架



    注:由于市场价格时有波动,以下价格仅供参考,实际以销售人员报价为准,详情请拨打:13861821233

    商品介绍

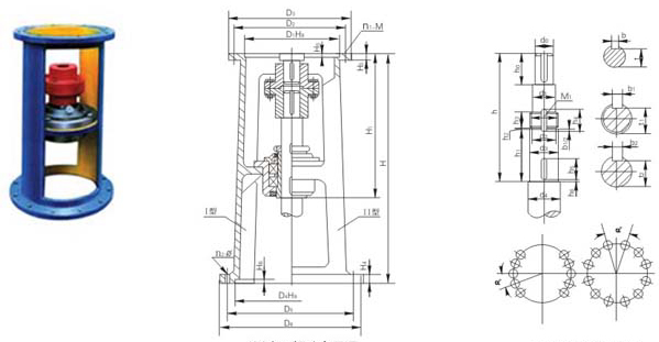
    DJ、LDJ型单支点机架主要参数及尺寸

     

     

    型号 H1 H3 H4 H5 H6 输入端接口 输出端接口
    D1 D2 D3 n1-M D4 D5 D6 n2
    DJ,LDJ30AB 320 15 20 4 6

    140
    200

    160
    230
    190
    260
    4-B10
    6-M12
    240 285 315 Ⅰ20
    Ⅱ30
    10-φ14
    12-φ14
    DJ,LDJ35A 334 17 20 5 6 170 200 230 6-M10
    (6-M12)
    260 320 360 Ⅰ20
    Ⅱ30
    10-φ14
    12-φ14
    DJ,LDJ40AB 334 17 20 4 6 200
    230

    230
    260

    260
    290
    6-M10
    6-M12
    260 320 360 Ⅰ20
    Ⅱ30
    10-φ14
    12-φ14
    DJ,LDJ45A 338 20 20 5 6 200 230 260 6-M10
    (6-M12)
    260 320 360 Ⅰ20
    Ⅱ30
    10-φ14
    12-φ14
    DJ,LDJ55AB 372 22 24 6
    5
    6 270 310
    305
    340 6-M10
    8-M16
    325 400 435 30 12-φ14
    DJ,LDJ65A 447 22 24 6 6 316(320) 360 400 8-M12
    (8-M16)
    350 420 460 30 12-φ18
    DJ,LDJ70AB 447 22 24 6
    5
    6 316(320)
    320
    360 400 8-M12
    (8-M16)
    350 420 460 30 12-φ18
    DJ,LDJ80AB 495 22 28 6
    5
    8 345
    360
    390
    410

    430
    460

    8-M16
    (8-M20)
    380 455 495 30 12-φ18
    DJ,LDJ90A 519 22 28 7 8 400 450 490 12-M16
    (12-M20)
    430 510 555 30 12-φ23
    DJ,LDJ100AB 535 25 28 9
    5
    10 455(460)
    470
    520 580 12-M20 480 560 600 22.5 16-φ23
    DJ,LDJ110AB 660 30 25 11
    6
    10 520 590 650 12-M20 560 650 700 22.5 16-φ27
    DJ,LDJ120A 660 30 38 11 10 520 590 650 12-M20 560 650 700 22.5 16-φ27
    DJ,LDJ130AB 790 45 40 12
    9
    10 680 800 880 12-M30 720 810 880 18 20-φ27
    DJ,LDJ140A 790 45 40 12
    9
    12 680 800 880 12-M30 720 810 880 18 20-φ27
    DJ,LDJ150 790 45 45 14
    10
    12 820 940 1020 16-M30 840 940 1020 22.5 16-φ33
    DJ,LDJ160 810 50 50 14
    10
    12 820 940 1020 16-M30 840 940 1020 22.5 16-φ33
    DJ,LDJ180 910 55 50 14
    10
    12 960 1080 1160 20-M30 970 1080 1160 18 20-φ33

    型号 搅拌轴轴端尺寸 DJ型 LDJ型
    h(A/B) h0 h1 h2 h3 h4 h5 h6 d0 d1 d2 M1 d3(h9) zd4 b b1 b2 t t1 t2 H 重量kg H 重量kg
    DJ,LDJ30AB 250/254 53 103 3 13 22 30 3 30 32 32.8 M35×1.5 35 40 8 6 6 26 31 31.5 550 46 700 54
    DJ,LDJ35A 253 53 113 3 15 24 40 3 35 42 42.8 M45×1.5 45 50 10 6 6 30 41 41.5 600 79 750 89
    DJ,LDJ40AB 242/249 69 113 3 15 24 40 3 40 42 42.8 M45×1.5 45 50 12 6 6 35 41 41.5 600 79 750 89
    DJ,LDJ45A 246 69 113 3 15 28 40 3 45 47 47.8 M50×1.5 50 65 14 8 8 39.5 46 46 600 84 750 94
    DJ,LDJ55AB 274/272 80 118 4 15 27 40 3 55 57 57 M60×2 60 65 16 8 8 49 56 56 660 151 760 157
    DJ,LDJ65A 333 87 143 4 18 32 50 3 65 71 72 M75×2 75 80 18 10 10 58 69 70 720 171 870 181
    DJ,LDJ70AB 333/327 87 143 4 18 32 50 3 70 71 72 M75×2 75 80 20 10 10 62.5 69 70 720 171 870 181
    DJ,LDJ80AB 371/340 91 163 4 18 32 60 3 80 81 82 M85×2 85 90 22 10 10 71 79 80 785 209 935 219
    DJ,LDJ90A 375 125 168 4 20 36 60 3 90 91 92 M95×2 95 4110 25 12 12 81 89 90 805 266 955 276
    DJ,LDJ100AB 386/360 134 178 4 24 42 60 3 100 111 112 M115×2 115 125 28 14 14 90 109 109.5 820 347 1020 362
    DJ,LDJ110A 456 155 178 4 24 42 60 3 110 112 112 M115×2 115 125 28 14 14 100 108 109.5 1100 533 1150 537
    DJ,LDJ120A 456 155 178 4 24 42 60 3 120 122 122 M125×2 125 140 32 14 14 109 119 119.5 1100 553 1150 557
    DJ,LDJ130AB 570/570 197 208 4 28 46 70 3 130 135 137 M140×2 140 150 32 14 14 119 132 134.5 1200 723 1400 754
    DJ,LDJ140A 570 197 208 4 28 48 70 3 140 145 147 M150×2 150 160 36 16 16 128 142 144 1200 743 1400 774
    DJ,LDJ150 根据减
    速机型
    号而定
    210 208 4 32 52 70 3 150 155 156 M160×3 160 170 36 16 16 138 152 154 1200 765 1400 798
    DJ,LDJ160 210 227 4 32 52 80 3 160 165 166 M170×3 170 180 40 16 16 147 162 164 1200 780 1400 820
    DJ,LDJ180 235 242 4 36 58 90 3 180 185 186 M190×3 190 200 45 18 18 165 180 182 1280 887 1400 933

     

    注:图示所“h”仅与本样本BLD、LC-Ⅱ、DC-Ⅱ系列减速机相配,如选用其他型号或其他厂家减速机,“h”需另行计算。增高后的LDJ型机架其下部空间高度可容纳205、206或207双端面机械密封。

     

    DJ、LDJ型单支点机架主要参数及尺寸

     

    型号 H1 H3 H4 H5 H6 输入端接口 输出端接口
    D1 D2 D3 n1-M D4 D5 D6 n2
    DJ,LDJ30AB 320 15 20 4 6

    140
    200

    160
    230
    190
    260
    4-B10
    6-M12
    240 285 315 Ⅰ20
    Ⅱ30
    10-φ14
    12-φ14
    DJ,LDJ35A 334 17 20 5 6 170 200 230 6-M10
    (6-M12)
    260 320 360 Ⅰ20
    Ⅱ30
    10-φ14
    12-φ14
    DJ,LDJ40AB 334 17 20 4 6 200
    230

    230
    260

    260
    290
    6-M10
    6-M12
    260 320 360 Ⅰ20
    Ⅱ30
    10-φ14
    12-φ14
    DJ,LDJ45A 338 20 20 5 6 200 230 260 6-M10
    (6-M12)
    260 320 360 Ⅰ20
    Ⅱ30
    10-φ14
    12-φ14
    DJ,LDJ55AB 372 22 24 6
    5
    6 270 310
    305
    340 6-M10
    8-M16
    325 400 435 30 12-φ14
    DJ,LDJ65A 447 22 24 6 6 316(320) 360 400 8-M12
    (8-M16)
    350 420 460 30 12-φ18
    DJ,LDJ70AB 447 22 24 6
    5
    6 316(320)
    320
    360 400 8-M12
    (8-M16)
    350 420 460 30 12-φ18
    DJ,LDJ80AB 495 22 28 6
    5
    8 345
    360
    390
    410

    430
    460

    8-M16
    (8-M20)
    380 455 495 30 12-φ18
    DJ,LDJ90A 519 22 28 7 8 400 450 490 12-M16
    (12-M20)
    430 510 555 30 12-φ23
    DJ,LDJ100AB 535 25 28 9
    5
    10 455(460)
    470
    520 580 12-M20 480 560 600 22.5 16-φ23
    DJ,LDJ110AB 660 30 25 11
    6
    10 520 590 650 12-M20 560 650 700 22.5 16-φ27
    DJ,LDJ120A 660 30 38 11 10 520 590 650 12-M20 560 650 700 22.5 16-φ27
    DJ,LDJ130AB 790 45 40 12
    9
    10 680 800 880 12-M30 720 810 880 18 20-φ27
    DJ,LDJ140A 790 45 40 12
    9
    12 680 800 880 12-M30 720 810 880 18 20-φ27
    DJ,LDJ150 790 45 45 14
    10
    12 820 940 1020 16-M30 840 940 1020 22.5 16-φ33
    DJ,LDJ160 810 50 50 14
    10
    12 820 940 1020 16-M30 840 940 1020 22.5 16-φ33
    DJ,LDJ180 910 55 50 14
    10
    12 960 1080 1160 20-M30 970 1080 1160 18 20-φ33

     

    型号 搅拌轴轴端尺寸 DJ型 LDJ型
    h(A/B) h0 h1 h2 h3 h4 h5 h6 d0 d1 d2 M1 d3(h9) zd4 b b1 b2 t t1 t2 H 重量kg H 重量kg
    DJ,LDJ30AB 250/254 53 103 3 13 22 30 3 30 32 32.8 M35×1.5 35 40 8 6 6 26 31 31.5 550 46 700 54
    DJ,LDJ35A 253 53 113 3 15 24 40 3 35 42 42.8 M45×1.5 45 50 10 6 6 30 41 41.5 600 79 750 89
    DJ,LDJ40AB 242/249 69 113 3 15 24 40 3 40 42 42.8 M45×1.5 45 50 12 6 6 35 41 41.5 600 79 750 89
    DJ,LDJ45A 246 69 113 3 15 28 40 3 45 47 47.8 M50×1.5 50 65 14 8 8 39.5 46 46 600 84 750 94
    DJ,LDJ55AB 274/272 80 118 4 15 27 40 3 55 57 57 M60×2 60 65 16 8 8 49 56 56 660 151 760 157
    DJ,LDJ65A 333 87 143 4 18 32 50 3 65 71 72 M75×2 75 80 18 10 10 58 69 70 720 171 870 181
    DJ,LDJ70AB 333/327 87 143 4 18 32 50 3 70 71 72 M75×2 75 80 20 10 10 62.5 69 70 720 171 870 181
    DJ,LDJ80AB 371/340 91 163 4 18 32 60 3 80 81 82 M85×2 85 90 22 10 10 71 79 80 785 209 935 219
    DJ,LDJ90A 375 125 168 4 20 36 60 3 90 91 92 M95×2 95 4110 25 12 12 81 89 90 805 266 955 276
    DJ,LDJ100AB 386/360 134 178 4 24 42 60 3 100 111 112 M115×2 115 125 28 14 14 90 109 109.5 820 347 1020 362
    DJ,LDJ110A 456 155 178 4 24 42 60 3 110 112 112 M115×2 115 125 28 14 14 100 108 109.5 1100 533 1150 537
    DJ,LDJ120A 456 155 178 4 24 42 60 3 120 122 122 M125×2 125 140 32 14 14 109 119 119.5 1100 553 1150 557
    DJ,LDJ130AB 570/570 197 208 4 28 46 70 3 130 135 137 M140×2 140 150 32 14 14 119 132 134.5 1200 723 1400 754
    DJ,LDJ140A 570 197 208 4 28 48 70 3 140 145 147 M150×2 150 160 36 16 16 128 142 144 1200 743 1400 774
    DJ,LDJ150 根据减
    速机型
    号而定
    210 208 4 32 52 70 3 150 155 156 M160×3 160 170 36 16 16 138 152 154 1200 765 1400 798
    DJ,LDJ160 210 227 4 32 52 80 3 160 165 166 M170×3 170 180 40 16 16 147 162 164 1200 780 1400 820
    DJ,LDJ180 235 242 4 36 58 90 3 180 185 186 M190×3 190 200 45 18 18 165 180 182 1280 887 1400 933

    注:图示所“h”仅与本样本BLD、LC-Ⅱ、DC-Ⅱ系列减速机相配,如选用其他型号或其他厂家减速机,“h”需另行计算。增高后的LDJ型机架其下部空间高度可容纳205、206或207双端面机械密封。



    热卖产品
    立即咨询:13861821233 点击这里给我发送消息 售后服务