SF系列斜齿轮-蜗杆减速机
SF37,SF47,SF57,SF67,SF77,SF87,SF97

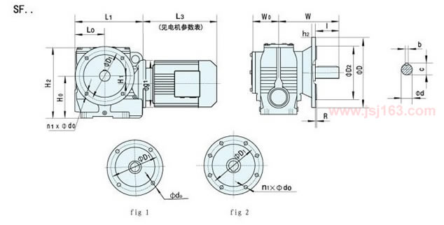
| 型号 | 安 装 尺 寸 | 轴 伸 尺 寸 | 外 形 尺 寸 | ||||||||||||||||
| H0 | D1 | n1 | d0 | D2 (h7) | R | d | ι | b | c | S | L1 | D | L0 | W0 | W | W3 | H1 | H2 | |
| SF37 | 80 | 100 | 4 | 7 | 80 | 3.5 | 20k6 | 40 | 6 | 22.5 | M8 | 150 | 120 | 63 | 59 | 115 | 103 | 3 | 143 |
| SF47 | 100 | 130 | 4 | 9 | 110 | 3.5 | 25k6 | 50 | 8 | 28 | M8 | 197 | 160 | 83 | 64 | 136 | 103 | 7 | 179 |
| SF57 | 112 | 165 | 4 | 11 | 130 | 3.5 | 30k6 | 60 | 8 | 33 | M8 | 208 | 200 | 91 | 64 | 157 | 103 | 12 | 204 |
| SF67 | 145 | 165 | 4 | 11 | 130 | 3.5 | 35k6 | 70 | 10 | 38 | M10 | 253 | 200 | 108 | 82 | 190 | 135 | 18 | 257 |
| SF77 | 180 | 215 | 4 | 14 | 180 | 4 | 45k6 | 90 | 14 | 48.5 | M10 | 305 | 250 | 132 | 96 | 228 | 161 | 29 | 321 |
| SF87 | 232 | 300 | 4 | 18 | 250 | 5 | 60m6 | 120 | 18 | 64 | M12 | 365 | 350 | 156 | 105 | 280 | 171 | 30 | 385 |
| SF97 | 285 | 400 | 8 | 18 | 350 | 5 | 70m6 | 140 | 20 | 74.5 | M12 | 458 | 450 | 202 | 124 | 329 | 207 | 55 | 490 |








